• トップ
  • 商品を探す
  • カテゴリ一覧
  • 会社概要
  • お問い合わせ
  • ログイン
  • 利用者登録申請
注文・見積時 支払い方法 御指示下さい  
お振込み・カード決済いずれか備考欄に御記入下さい。
【備考欄未記入の場合、お振込みでの案内となります。】
いらっしゃいませ!
JYHI-K18-09

オープン型タテ型ロープガイド1車18mm K18-09

添付資料

商品コード
K18-09
材質
色・仕上げ
車材
ステンレス
自量(g)
35
使用荷重(kg)
20
枠材
ステンレス(304)
使用軸受
フッ素樹脂ブッシュ入
標準価格(単価、税別): ¥2,940
【備考】

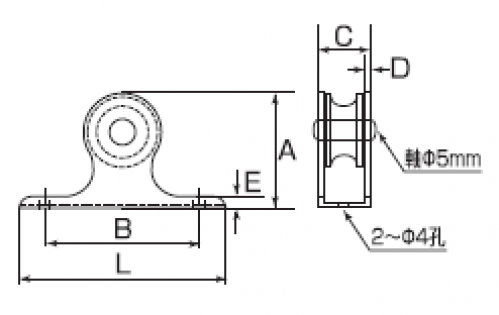
サイズ

使用ロープ径
A
B
B
D
E
L
~φ6 mm 28 mm 37 mm 12 mm 1 mm 3 mm 50 mm
  • 図面

オープン型タテ型ロープガイド1車18mmの他の商品

商品 材質 サイズ 定価(単価) 単位
shohins 12998
sat,sun
  • 2025-12-20
  • 2025-12-27
  • 2025-12-29
  • 2025-12-30
  • 2025-12-31
  • 2026-01-01
  • 2026-01-02
  • 2026-01-12
/customer/