• トップ
  • 商品を探す
  • カテゴリ一覧
  • 会社概要
  • お問い合わせ
  • ログイン
  • 利用者登録申請
注文・見積時 支払い方法 御指示下さい  
お振込み・カード決済いずれか備考欄に御記入下さい。
【備考欄未記入の場合、お振込みでの案内となります。】
いらっしゃいませ!
JYHI-PDR-9

パッドアイ丸カン(S3202) PDR-9

添付資料

商品コード
PDR-9
材質
色・仕上げ
重量(g)
216
使用荷重(kg)
60
標準価格(単価、税別): ¥2,620
【備考】

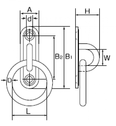
サイズ

D
L
A
A
B2
H
d
9 mm 60 mm 32 mm 100 mm 73 mm 38 mm 6.2 mm
  • 図面

パッドアイ丸カン(S3202)の他の商品

商品 材質 サイズ 定価(単価) 単位
D
L
A
¥1,200
5mm
30mm
16mm
D
L
A
¥1,520
6mm
40mm
20mm
D
L
A
¥2,340
8mm
50mm
26mm
shohins 12882
sat,sun
  • 2025-12-20
  • 2025-12-27
  • 2025-12-29
  • 2025-12-30
  • 2025-12-31
  • 2026-01-01
  • 2026-01-02
  • 2026-01-12
/customer/