• トップ
  • 商品を探す
  • カテゴリ一覧
  • 会社概要
  • お問い合わせ
  • ログイン
  • 利用者登録申請
注文・見積時 支払い方法 御指示下さい  
お振込み・カード決済いずれか備考欄に御記入下さい。
【備考欄未記入の場合、お振込みでの案内となります。】
いらっしゃいませ!
JI0181-02HL

ルーター本締 HL 98

商品コード
JI0181-02HL
材質
ステンレス
色・仕上げ
ヘアーライン
標準価格(単価、税別): ¥5,040
【備考】
98mm 鍵違い数12通り

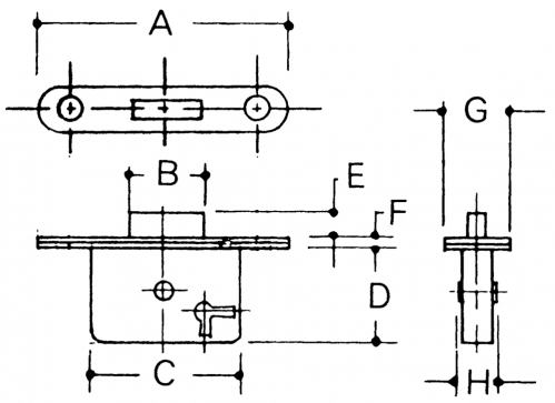
サイズ

A
B
C
C
E
F
G
H
98 mm 23 mm 53.4 mm 35 mm 9 mm 3.1 mm 16 mm 11.5 mm
  • 図面

JI0181 ルーター本締錠の他の商品

商品 材質 サイズ 定価(単価) 単位
ステンレス ヘアーライン
A
B
C
¥4,540
78.3mm
22mm
40.4mm
shohins 28642
sat,sun
  • 2025-12-20
  • 2025-12-27
  • 2025-12-29
  • 2025-12-30
  • 2025-12-31
  • 2026-01-01
  • 2026-01-02
  • 2026-01-12
/customer/