• トップ
  • 商品を探す
  • カテゴリ一覧
  • 会社概要
  • お問い合わせ
  • ログイン
  • 利用者登録申請
注文・見積時 支払い方法 御指示下さい  
お振込み・カード決済いずれか備考欄に御記入下さい。
【備考欄未記入の場合、お振込みでの案内となります。】
いらっしゃいませ!
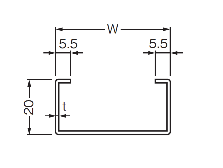
BE-641-1

笠木

商品コード
641
材質
ステンレス鋼SUS304
色・仕上げ
ヘアライン
用  途
スクリーン頭継
標準価格(単価、税別): ¥6,360
【備考】
※沓摺にも使用できます。

サイズ

寸  法 
42 mm
  • 商品画像1
  • 商品画像2

641の他の商品

商品 材質 サイズ 定価(単価) 単位
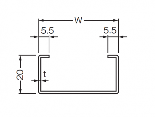
BE-641
ステンレス鋼SUS304 ヘアライン
寸  法 
¥3,740
40mm
shohins 7356

前に見た商品

sat,sun
  • 2025-12-20
  • 2025-12-27
  • 2025-12-29
  • 2025-12-30
  • 2025-12-31
  • 2026-01-01
  • 2026-01-02
  • 2026-01-12
/customer/