• トップ
  • 商品を探す
  • カテゴリ一覧
  • 会社概要
  • お問い合わせ
  • ログイン
  • 利用者登録申請
注文・見積時 支払い方法 御指示下さい  
お振込み・カード決済いずれか備考欄に御記入下さい。
【備考欄未記入の場合、お振込みでの案内となります。】
いらっしゃいませ!
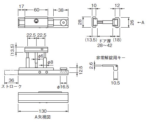
BE-3712

表示付ボルト

商品コード
3712
材質
黄 銅
色・仕上げ
サテンクローム
用  途
ラバトリーブース内開き
取付ネジ 
丸皿小ネジM4×30mm
標準価格(単価、税別): ¥8,200
【備考】
※カラーUD対応商品
 色覚の個人差を問わず、多くの方が安心してご使用 いただける商品です。(4ヶ国語 凡例シール付)
 詳細はお問い合わせください。
受注生産

サイズ

ストローク
ドア厚 
36 mm 28~42 mm
  • 商品画像1

3712の他の商品

商品 材質 サイズ 定価(単価) 単位
shohins 7261
sat,sun
  • 2025-12-20
  • 2025-12-27
  • 2025-12-29
  • 2025-12-30
  • 2025-12-31
  • 2026-01-01
  • 2026-01-02
  • 2026-01-12
/customer/